Фильтры напорные типа ФГМ32-10(25)К устанавливаются на напорных магистралях в гидросистемах различных металлорежущих и деревообрабатывающих станков, литейного оборудования, а также различной дорожно-строительной техники и служат для очистки от механических примесей минеральных масел с кинематической вязкостью от 12 до 500мм2/с (сСт) при температуре от 0 до 800С.
Фильтры напорные типа ФГМ могут изготавливаться для номинального давления 32 МПа и 16 МПа (фильтры напорные с таким ном.давлением в настоящий момент применяются в машиностроении редко).
Фильтры напорные типа ФГМ32-10(25)К эксплуатируются при температуре окружающей среды от -400С до +400С.
Фильтр напорный с индикатором загрязненности типа ФГМ состоит из головки (с входным и выходным отверстиями) и стакана, соединенного с головкой герметично при помощи кольца. Внутри стакана расположен установленный на седле фильтроэлемент. На головке установлен индикатор загрязненности, в корпусе которого имеются средства сигнализации о загрязненности фильтроэлемента и перепуске неочищенной жидкости. Рабочая жидкость через входное отверстие в головке фильтра поступает в полость стакана, фильтруется через фильтроэлемент, и через центральное отверстие в седле и выходное отверстие поступает в гидросистему. При увеличении перепада давления на фильтрующем элементе (по мере его загрязнения или при увеличенном расходе) начинает перемещаться плунжер, расположенный в поршне, сжимая пружину и, выдвигая шток, на хвостовике которого установлен постоянный магнит. При перепаде давлений (0,3±-0,03)МПа в поле действия магнита окажется магнитоуправляемый контакт (геркон), лепестки которого замкнутся, и поступит электрический сигнал о необходимости замены загрязненного фильтроэлемента (электрическая сигнализация). Если своевременно не заменить фильтроэлемент, то происходит дальнейшее повышение перепада давлений до (0,5±0,1)МПа, открытие предохранительного (переливного) клапана, при этом неочищенная рабочая жидкость поступает в систему, минуя фильтрующий элемент—это уже аварийный режим работы.
Технические характеристики:
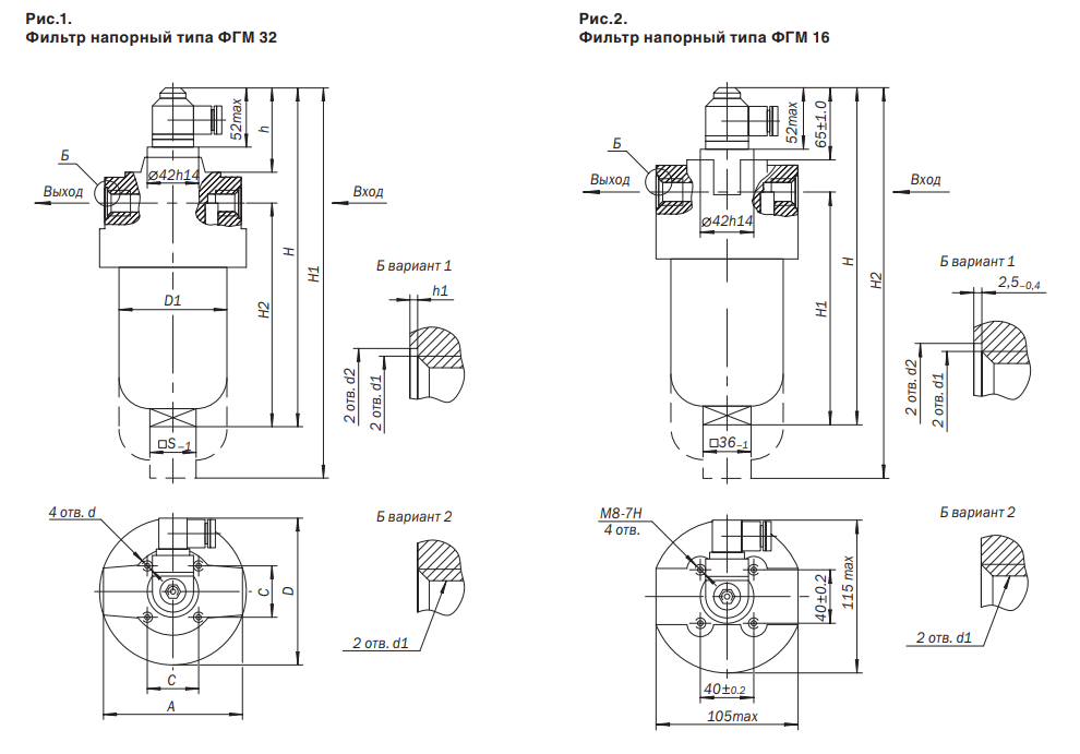
Габаритные и присоединительные размеры фильтров напорных типа ФГМ16


Структура условного обозначения

|
Тип фильтра |
Ду, мм |
P, МПа |
Тонкость фильтрации, мкм |
Номинальный расход, л/мин |
|
1 ФГМ32-05к(м) |
12 |
32 |
5 |
15,5 |
|
1 ФГМ32-10к(м) |
10 |
40 |
||
|
1 ФГМ32-25к(м) |
25 |
40 |
||
|
1 ФГМ32-40к(м) |
40 |
40 |
||
|
2 ФГМ32-05к(м) |
20 |
5 |
25 |
|
|
2 ФГМ32-10к(м) |
10 |
80 |
||
|
2 ФГМ32-25к(м) |
25 |
80 |
||
|
2 ФГМ32-40к(м) |
40 |
100 |
||
|
3 ФГМ32-05к(м) |
32 |
5 |
63 |
|
|
3 ФГМ32-10к(м) |
10 |
200 |
||
|
3 ФГМ32-25к(м) |
25 |
200 |
||
|
3 ФГМ32-40к(м) |
40 |
250 |
||
|
4 ФГМ32-05к(м) |
40 |
5 |
100 |
|
|
4 ФГМ32-10к(м) |
10 |
320 |
||
|
4 ФГМ32-25к(м) |
25 |
320 |
||
|
4 ФГМ32-40к(м) |
40 |
400 |
Чтобы приобрести понравившийся товар, необходимо его заказать.
Выбрать понравившийся товар и нажать кнопку «В корзину». При оформлении заказа заполнить форму. Вписать обязательную информацию в поля: ФИО, телефон и e-mail. Для выставления счета на оплату прикрепить реквизиты Вашей организации.
Мы работаем c юридическими лицами. Оплата возможна только по безналичному рассчёту.
Стоимость доставки: по тарифу ТК
Доставка до терминала транспортной компании в нашем городе - бесплатно. Доставка до города покупателя оплачивается по тарифу транспортной компании.
