Реле давления масла-JCS-02H JCS-02N JCS-02NL JCS-02NLL для гидравлических маслостанций. Давление настраивается в диапазоне от 20 до 420 бар. и срабатывает когда достигается заданное значение давления. Гидравлическое реле давления JCS используется для давления жидкости открытого/закрытого типа электрического контактного в гидравлического оборудования.
Реле давления масла-JCS-02H JCS-02N JCS-02NL JCS-02NLL для гидравлических маслостанций. Давление настраивается в диапазоне от 20 до 420 бар. и срабатывает когда достигается заданное значение давления. Гидравлическое реле давления JCS используется для давления жидкости открытого/закрытого типа электрического контактного в гидравлического оборудования.
JCS-02H (5-35 МПа) высокого давления;
JCS-02N (3-21MPA) среднего давления;
JCS-02NL (1.5-61MPA) низкое давления;
JCS-02NLL (0.5-6MPA) Ультра низкое давление.
Основные характеристики:
* Присоединение: G 1/4 " внутреннее;
* Контролируемая среда: Масло;
* Минимальное рабочее давление: 5 МПа;
* Максимальное рабочее давление: 35 МПа;
* Напряжение: Г24;
* Максимальная сила тока: 16 мА;
* Регулировка разности давления: Регулируемая;
* Материал контакта: Латунь;
* Степень защиты IP: 65.
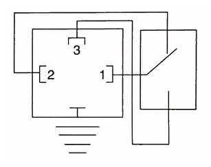
Обозначение схемы реле JCS-02
Габаритные размеры


JCS-02-N - Реле давления, 30-210 Бар, резьбовое присоединение G 1/4"
JCS-02-H - Реле давления, 60-350 Бар, резьбовое присоединение G 1/4"
Чтобы приобрести понравившийся товар, необходимо его заказать.
Выбрать понравившийся товар и нажать кнопку «В корзину». При оформлении заказа заполнить форму. Вписать обязательную информацию в поля: ФИО, телефон и e-mail. Для выставления счета на оплату прикрепить реквизиты Вашей организации.
Мы работаем c юридическими лицами. Оплата возможна только по безналичному рассчёту.
Стоимость доставки: по тарифу ТК
Доставка до терминала транспортной компании в нашем городе - бесплатно. Доставка до города покупателя оплачивается по тарифу транспортной компании.