Обратные клапаны 1МКО, МКО предназначены для свободного пропускания рабочей жидкости в одном направлении и перекрытия потока в обратном направлении. Обратные гидроклапаны 1МКО, МКО работают на минеральных маслах с номинальной тонкостью фильтрации 25 мкм, кинематической вязкостью от 10 до 250 сСт и температурой от 10 до 50° С.
Обратные клапаны 1МКО, МКО предназначены для свободного пропускания рабочей жидкости в одном направлении и перекрытия потока в обратном направлении. Обратные гидроклапаны 1МКО, МКО работают на минеральных маслах с номинальной тонкостью фильтрации 25 мкм, кинематической вязкостью от 10 до 250 сСт и температурой от 10 до 50° С.
Технические характеристики:
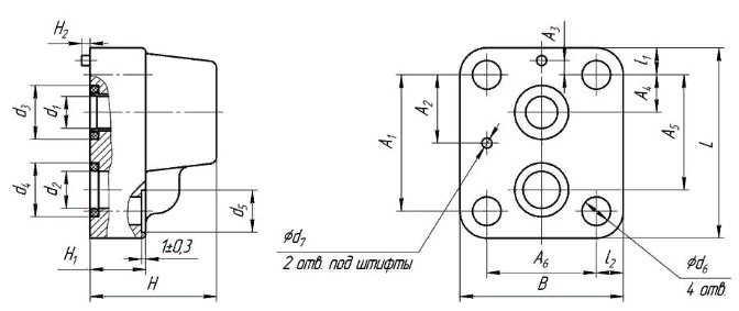
Габаритные и присоединительные размеры гидроклапанов 1МКО
Чтобы приобрести понравившийся товар, необходимо его заказать.
Выбрать понравившийся товар и нажать кнопку «В корзину». При оформлении заказа заполнить форму. Вписать обязательную информацию в поля: ФИО, телефон и e-mail. Для выставления счета на оплату прикрепить реквизиты Вашей организации.
Мы работаем c юридическими лицами. Оплата возможна только по безналичному рассчёту.
Стоимость доставки: по тарифу ТК
Доставка до терминала транспортной компании в нашем городе - бесплатно. Доставка до города покупателя оплачивается по тарифу транспортной компании.
