Гидроклапаны предохранительные (A,Б)(П)Г52-22, (A,Б)(П)Г52-23, (A,Б)(П)Г52-24, (A,Б)(П)Г52-25 представляют собой элементы командно-регулирующей аппаратуры гидроприводов.
Их назначение – ограничивать давление рабочей жидкости до заранее заданной величины, предохраняя системы от перегрузки и разрушения. Гидроклапаны имеют универсальное применение с возможностью их встраивания в гидравлические установки транспортных, подземных и других сооружений, а также в металлообрабатывающие машины.
Их назначение – ограничивать давление рабочей жидкости до заранее заданной величины, предохраняя системы от перегрузки и разрушения. Гидроклапаны имеют универсальное применение с возможностью их встраивания в гидравлические установки транспортных, подземных и других сооружений, а также в металлообрабатывающие машины.
Клапаны (П)Г52-2... работают на чистом минеральном масле вязкостью 18-60 мм²/сек при температуре масла до 50 °С.
Технические характеристики:
Схема применения клапанов (П)Г52-2...
Габаритные размеры гидроклапан предохранительный типа ПГ 52-2 стыковой

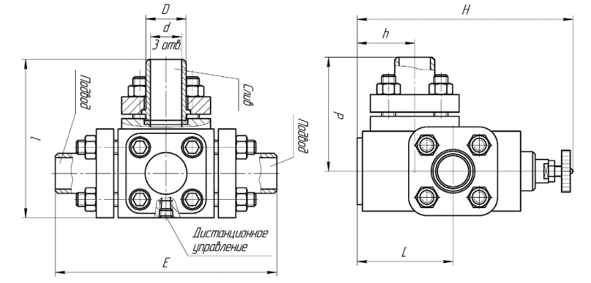
Габаритные размеры гидроклапан предохранительный типа Г52-2 трубный
Габаритные размеры гидроклапан предохранительный типа Г52-2 фланцевый

Структура условного обозначения
Чтобы приобрести понравившийся товар, необходимо его заказать.
Выбрать понравившийся товар и нажать кнопку «В корзину». При оформлении заказа заполнить форму. Вписать обязательную информацию в поля: ФИО, телефон и e-mail. Для выставления счета на оплату прикрепить реквизиты Вашей организации.
Мы работаем c юридическими лицами. Оплата возможна только по безналичному рассчёту.
Стоимость доставки: по тарифу ТК
Доставка до терминала транспортной компании в нашем городе - бесплатно. Доставка до города покупателя оплачивается по тарифу транспортной компании.
