Гидроклапаны обратные модульные КОМ6/3 и КОМ10/3 применяются в гидролиниях, где требуется свободное пропускание потока рабочей жидкости в одном направлении и запирание потока рабочей жидкости в противоположном направлении.
Гидроклапаны обратные модульные КОМ6/3 и КОМ10/3 применяются в гидролиниях, где требуется свободное пропускание потока рабочей жидкости в одном направлении и запирание потока рабочей жидкости в противоположном направлении.
Рабочая жидкость - чистые минеральные масла с вязкостью от 20 до 250 сСт и температурой среды от +1° до +45°С.
Основные характеристики КОМ-6/3 и КОМ-10/3
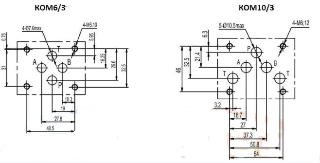
Габаритные размеры

Чтобы приобрести понравившийся товар, необходимо его заказать.
Выбрать понравившийся товар и нажать кнопку «В корзину». При оформлении заказа заполнить форму. Вписать обязательную информацию в поля: ФИО, телефон и e-mail. Для выставления счета на оплату прикрепить реквизиты Вашей организации.
Мы работаем c юридическими лицами. Оплата возможна только по безналичному рассчёту.
Стоимость доставки: по тарифу ТК
Доставка до терминала транспортной компании в нашем городе - бесплатно. Доставка до города покупателя оплачивается по тарифу транспортной компании.