Насосные агрегаты ВГ11-11, ВГ11-11А, ВГ11-11Б предназначены для нагнетания под номинальным давлением 0,5 МПа (5 кгс/см2) постоянного по величине и направлению потока минерального масла с кинематической вязкостью от 17 до 400 мм2/с (сСт) при температуре масла от 283 до 323 К (от 10 до 50 °С) в смазочные системы станков и других стационарных машин. Масляные системы должны быть оснащены фильтрами с номинальной тонкостью фильтрации не грубее 40 мкм, установленными на напорной или сливной магистрали. Чистота рабочей жидкости - не грубее 13 класса по ГОСТ 17216-71. Направление вращения приводного вала насоса - правое. По требованию потребителя насосы могут изготовляться с левым направлением вращения вала. Привод насосов должен осуществляться только через упругую муфту.
Насосные агрегаты ВГ11-11(А, Б) соответствуют требованиям стандартов и имеют сертификат соответствия. Они классифицируются как насосы первой группы, обеспечивающие давление до 0,5 МПа. Эти агрегаты могут быть установлены с погружением насоса в жидкость и подходят для горизонтального или вертикального монтажа, при условии обеспечения доступа для обслуживания и контроля за работой. Для защиты насоса от перегрузок в гидравлической системе рекомендуется установить предохранительный клапан с настройкой до 0,6 МПа и расходом, соответствующим номинальной подаче насоса. Эти насосы подходят для работы в климатических условиях умеренного или холодного климата, а также в тропических условиях. Они обладают стабильными характеристиками и могут использоваться в дозирующих устройствах при соблюдении определенных условий.
Параметры агрегатов насосных ВГ11-11, ВГ11-11А, ВГ11-11Б
Основные технические характеристики насосов ВГ11-11, ВГ11-11А, ВГ11-11Б полностью совпадают с характеристиками насосов БГ11-11, БГ11-11А, БГ11-11Б. Отличие заключается лишь в методе установки: насосы ВГ имеют фланцевое крепление, в то время как насосы БГ устанавливаются на “лапах”.
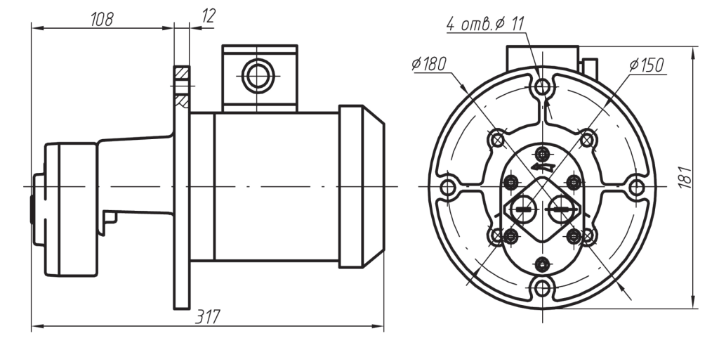
Габаритные и присоединительные размеры насосов ВГ11-11, ВГ11-11А, ВГ11-11Б

Пример условного обозначения насосного агрегата с фланцевым креплением: Агрегат насосный ВГ11-11 УХЛ4
- Тип: ВГ11-11
- Условные обозначения: УХЛ4
- Характеристики:
- Рабочий объем: 8 см³
- Номинальная подача: 8 л/мин
- Номинальное давление на выходе: 0,5 МПа
- Номинальная частота вращения: 1450 об/мин
- Масса: не более 7,3 кг
- Климатические условия: районы с умеренным и холодным климатом
- Категория размещения: 4.1
Чтобы приобрести понравившийся товар, необходимо его заказать.
Выбрать понравившийся товар и нажать кнопку «В корзину». При оформлении заказа заполнить форму. Вписать обязательную информацию в поля: ФИО, телефон и e-mail. Для выставления счета на оплату прикрепить реквизиты Вашей организации.
Мы работаем c юридическими лицами. Оплата возможна только по безналичному рассчёту.
Стоимость доставки: по тарифу ТК
Доставка до терминала транспортной компании в нашем городе - бесплатно. Доставка до города покупателя оплачивается по тарифу транспортной компании.