Насос НПл 16-40 с давлением 6,3 МПа двухпоточный - это высокоэффективное оборудование, которое используется для перекачивания различных жидкостей. Данный насос обладает двумя потоками и способен перекачивать жидкость на большие расстояния.
Насос НПл 16-40 с давлением 6,3 МПа двухпоточный - это высокоэффективное оборудование, которое используется для перекачивания различных жидкостей. Данный насос обладает двумя потоками и способен перекачивать жидкость на большие расстояния.
Пример условного обозначения для заказа НПл 16-40/6,3
- НПл – Насос пластинчатый,
- 16 – рабочий объём первого потока, см3
- 40 – рабочий объём второго потока, см3
- 6,3 – номинальное давление, МПа
Основным преимуществом насоса НПл 16-40/6,3 двухпоточный является высокая производительность и надежность. Он позволяет быстро перекачивать жидкость с минимальными затратами энергии и времени. Насос НПл двухпоточный чаще всего используется в нефтегазовой промышленности, топливной отрасли, химической и нефтехимической промышленности.
Насос НПл16-40/6,3 двухпоточный - это оборудование, которое обеспечивает равномерную подачу жидкости. Он устойчив к перегрузкам и сильным ударам, что делает его надежным и долговечным. За счет своей конструкции и двухпоточного корпуса, насос можно использовать и для сложных производственных задач.
Номинальная тонкость фильтрации используемого масла должна не быть не менее 25 мкм. В температурном диапазоне от -10С до +60С кинематическая вязкость масла должна составлять 20-400 мм2/c с давлением 6.3 МПа и 25 - 213 мм2/с при давлении 16 МПа.
Характеристики насосов НПл 1+1/6,3
|
Гидронасос |
давление на выходе, МПа |
подача, л/мин |
рабочий объем, см3 |
частота вращения, об/мин |
Масса, кг |
|
НПл 8-8/6,3 |
6,3 |
5,8-5,8 |
8-8 |
960 |
19 |
|
НПл 8-12,5/6,3 |
5,8-9,7 |
8-12,5 |
|||
|
НПл 8-16/6,3 |
5,8-12,7 |
8-16 |
|||
|
НПл 8-25/6,3 |
5,8-21,1 |
8-25 |
|||
|
НПл 8-32/6,3 |
5,8-27,9 |
8-32 |
|||
|
НПл 8-40/6,3 |
5,8-35,7 |
8-40 |
|||
|
НПл 12,5-12,5/6,3 |
9,7-9,7 |
12,5-12,5 |
|||
|
НПл 12,5-16/6,3 |
9,7-12,7 |
12,5-16 |
|||
|
НПл 12,5-25/6,3 |
9,7-21,1 |
12,5-25 |
|||
|
НПл 12,5-32/6,3 |
9,7-27,9 |
12,5-32 |
|||
|
НПл 12,5-40/6,3 |
9,7-35,7 |
12,5-40 |
|||
|
НПл 16-16/6,3 |
12,7-12,7 |
16-16 |
|||
|
НПл 16-25/6,3 |
12,7-21,1 |
16-25 |
|||
|
НПл 16-32/6,3 |
12,7-27,9 |
16-32 |
|||
|
НПл 16-40/6,3 |
12,7-35,7 |
16-40 |
|||
|
НПл 25-25/6,3 |
21,1-21,1 |
25-25 |
|||
|
НПл 25-32/6,3 |
21,1-27,9 |
25-32 |
|||
|
НПл 25-40/6,3 |
21,1-35,7 |
25-40 |
|||
|
НПл 32-32/6,3 |
27,9-27,9 |
32-32 |
|||
|
НПл 32-40/6,3 |
27,9-35,7 |
32-40 |
|||
|
НПл 40-40/6,3 |
35,7-35,7 |
40-40 |
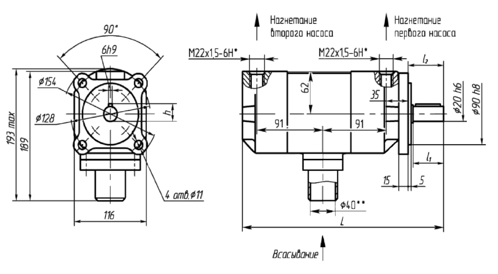
Габаритные размеры гидронасоса НПл8-8/6,3
|
Насос |
L |
l1 |
l2 |
h |
d |
|
НПл8-8/6,3 |
295max |
40 |
47 |
22,5 |
20 |
* Для насосов на давление 6,3 Мпа. присоединение К1/2"
** Для насосов на давление 6,3 Мпа присоединение К 1 1/4"
Чтобы приобрести понравившийся товар, необходимо его заказать.
Выбрать понравившийся товар и нажать кнопку «В корзину». При оформлении заказа заполнить форму. Вписать обязательную информацию в поля: ФИО, телефон и e-mail. Для выставления счета на оплату прикрепить реквизиты Вашей организации.
Мы работаем c юридическими лицами. Оплата возможна только по безналичному рассчёту.
Стоимость доставки: по тарифу ТК
Доставка до терминала транспортной компании в нашем городе - бесплатно. Доставка до города покупателя оплачивается по тарифу транспортной компании.
