Насосы шестеренные и насосные агрегаты второй группы предназначены для нагнетания под номинальным давлением 2,5 МПа (25 кгс/см2) технических масел или других смазывающих жидкостей с кинематической вязкостью от 17 до 400 мм2/с (сСт) при температуре жидкости от 283 К до 333 К (от 10°C до 60°C) и не вызывающих коррозию рабочих органов насоса, эксплуатирующихся в макроклиматических районах с умеренным и холодным климатом (УХЛ) категории 4.1, как с сухим, так и влажным тропическим климатом (Т), категории 4 по ГОСТ 15150.
Допускается применение насосов шестеренных и насосных агрегатов в гидравлических системах, а также для перекачивания других, нейтральных к материалу насоса, жидкостей, обладающих смазывающей способностью.
Насосы шестеренные и насосные агрегаты второй группы предназначены для нагнетания под номинальным давлением 2,5 МПа (25 кгс/см2) технических масел или других смазывающих жидкостей с кинематической вязкостью от 17 до 400 мм2/с (сСт) при температуре жидкости от 283 К до 333 К (от 10°C до 60°C) и не вызывающих коррозию рабочих органов насоса, эксплуатирующихся в макроклиматических районах с умеренным и холодным климатом (УХЛ) категории 4.1, как с сухим, так и влажным тропическим климатом (Т), категории 4 по ГОСТ 15150.
Допускается применение насосов шестеренных и насосных агрегатов в гидравлических системах, а также для перекачивания других, нейтральных к материалу насоса, жидкостей, обладающих смазывающей способностью. Номинальная тонкость фильтрации 40 мкм
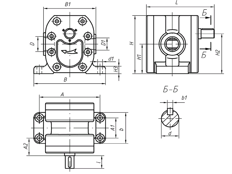
Габаритные и установочные размеры

Чтобы приобрести понравившийся товар, необходимо его заказать.
Выбрать понравившийся товар и нажать кнопку «В корзину». При оформлении заказа заполнить форму. Вписать обязательную информацию в поля: ФИО, телефон и e-mail. Для выставления счета на оплату прикрепить реквизиты Вашей организации.
Мы работаем c юридическими лицами. Оплата возможна только по безналичному рассчёту.
Стоимость доставки: по тарифу ТК
Доставка до терминала транспортной компании в нашем городе - бесплатно. Доставка до города покупателя оплачивается по тарифу транспортной компании.